炒股配资网-中国第一炒股软件是什么-【东方资本】,配资网站哪里好用点,股票杠杆有时间限制吗,今日股票涨停排行榜

多個行業領導者的合作選擇

深冷制氮系統

輪胎氮氣硫化工藝是目前輪胎硫化最先進的生產工藝,相比傳統的PSA制氮、液氮 氣化,其主要優點是節能,制氮純度高,純度可達到99.999%。

系統圖/示意圖

熱水除氧系統

國內最早做熱水除氧的廠家,專利產品、技術可靠、壓力穩定。

系統圖/示意圖

自動化控制

華控能源致力于工業過程自動化控制系統,為提高客戶車間的整體運行效率、降低動力介質損耗、及時發現運行故障并自動聯鎖切換處理,提高用戶自動化調節水平。

系統圖/示意圖

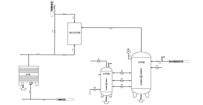
微動力抽真空

微壓水噴射真空系統原理——利用0.05MPa~0.1MPa抵壓水源通過管道閥門進入噴射器的漸縮段,將靜壓頭轉換成動能,在噴嘴出成為高速射流使混合室形成微真空(負壓)狀態,將被抽介質吸入混合室,并使壓力和速度發生變化,在混合段內水和被抽介質得到充分的混合,然后經擴散段使再混合液降低流速、靜壓頭升高,再通過出口管道及閥門將混合液送至池內進行分離,完成做功。設備運行穩定,節能率在95%以上。

系統圖/示意圖

余熱回收系統

乏汽回收器為我公司自主研發的專利產品,具有不憋壓、不影響硫化生產、換熱效率高、體積小等特點。

系統圖/示意圖

供應工程

本公司可提供供應工程的設計、設備選型 、施工、調試整套服務。

系統圖/示意圖

部分案例展示

2013年至2017年
客戶名稱 項目名稱 產能
山東玲瓏輪胎(泰國)股份有限公司 泰國玲瓏1320萬套半鋼氮氣硫化 1320萬套
貴州輪胎股份有限公司 2000Nm3/h全鋼深冷制氮項目 400萬套
山東玲瓏輪胎(德州)股份有限公司 1400Nm3/h半鋼深冷制氮項目 1600萬套
山東永豐輪胎(沂水)有限公司 1200Nm3/h半鋼(一期)深冷制氮項目 1200萬套
豐源輪胎制造股份有限公司 1000Nm3/h半鋼PSA改深冷制氮項目 1000萬套
貴州輪胎股份有限公司 全鋼熱水除氧動力站項目
山東昊華(華東)輪胎有限公司 全鋼熱水除氧動力站項目
山東永豐輪胎(沂水)有限公司 1200Nm3/h半鋼(二期)深冷制氮項目 1200萬套
賽輪集團股份有限公司 1500Nm3/h半鋼PSA改深冷制氮項目 1500Nm3/h
山東玲瓏輪胎(泰國)股份有限公司 600Nm3/h全鋼子午胎深冷制氮項目 150萬套
東營金宇輪胎廠 真空系統設備 -
奧戈瑞輪胎有限公司(印尼) 除氧動力站及公用工程項目 150萬套
青島賽輪輪胎廠 巨胎熱水除氧系統(二期) -
山東創華輪胎有限公司 200萬套/年全鋼熱水硫化項目 動力站、三站房及硫化地溝 -
格銳達輪胎有限公司 全鋼熱水除氧動力站改造 -
東營恒豐輪胎有限公司 三期全鋼熱水硫化動力站項目 200萬套
河北益豐橡膠有限公司 1000Nm3/h半鋼氮氣硫化動力站 1320萬套
山東龍躍橡膠有限公司 1200Nm3/h半鋼氮氣硫化動力站 1400萬套
中策橡膠(泰國)有限公司 氮氣增壓回收系統及輔助設備 1000萬套
雙錢集團(江蘇)輪胎有限公司 1000Nm3/h深冷制氮系統 1000Nm3/h
河北特瑞寶輪胎有限公司 動力站乏汽回收項目 -
濟南重成自動化有限公司 動力站、制冷站、水泵房自動控制系統 -
合肥萬力輪胎有限公司 1200Nm3/h深冷制氮系統 1200Nm3/h
中策橡膠(泰國)有限公司 1000Nm3/h深冷制氮系統 1000Nm3/h
山東玲瓏輪胎股份有限公司 3000Nm3/h深冷制氮系統 3000Nm3/h
賽輪金宇集團股份有限公司 巨胎動力站改造 -
河北特瑞寶輪胎有限公司 鍋爐TDS改造及余熱回收項目 -
河北嬴源有限公司 膠粉車間水泵房 -
中策橡膠(泰國)有限公司 胎面水處理設備 -
中策橡膠(安吉)有限公司 氮氣增壓回收系統及輔助設備 -
山東新大陸橡膠科技股份有限公司 深冷制氮系統及 動力站控制系統改造項目 -
山東永豐輪胎有限公司 除氧站系統 -
華誼集團(泰國)有限公司 年產120萬TBR+3萬OTR輪胎生產項目氮氣站系統 -
華誼集團(泰國)有限公司 年產120萬TBR+3萬OTR輪胎生產項目動力站系統 -